главная страница / библиотека / к оглавлению книги
Л.С. КлейнАрхеологическая типология.// Л.: ЛФ ЦЭНДИСИ. ЛНИАО. 1991. 448 с.
(полный текст см. в библиотеке портала archeologia.ru)
Часть четвёртая. Типы в культуре. — Глава XIII. Два этюда о сосудах.
Наутро говорит работник: «Эй, хозяин! Ступай горшки считать, сколько за одну ночь наработано». Хозяин сосчитал — сорок тысяч наработано... Ровно в полночь опять закричал нечистый громким голосом; сбежались к нему со всех концов чертенята, перебили все горшки, покидали черепье в печь и давай обжигать... На другой день... хозяин приходит смотреть — все сорок тысяч горшков стоят целы, один одного лучше.Сказка «Горшечник» (Афанасьев 1957, III: 143).Вот откопали оба котла, стали раздавать деньги по нищей братии: чем больше из раздают, тем больше их прибавляется.Сказка «Скрипач в аду» (Афанасьев 1957, III: 141).А.В. Виноградов. А. Этюд о таштыкской керамике.
См. также: Интуитивная типология таштыкской керамики.
1. Задача. К «таштыкской эпохе» на Енисее (Кызласов 1960) принято относить весьма разнообразные виды погребальных памятников: 1) грунтовые могилы, содержащие индивидуальные (с полным комплектом инвентаря) погребения одного-двух, реже трёх человек (включая детей) по обряду трупоположения; 2) большие склепы — коллективные усыпальницы многих десятков (обычно более ста) человек по обряду трупосожжения на стороне (с последующим сжиганием самого склепа); 3) малые склепы, содержащие погребения нескольких десятков человек по смешанному обряду; 4) индивидуальные погребения «под каменными выкладками» по обряду трупосожжения на стороне; 5) детские грунтовые могилы по обряду трупоположения (предположительно примыкающие к склепам — Грязнов, 1977: 84; Вадецкая 1986: 135). Кроме того, к памятникам этой эпохи принадлежат: 1) поминальники, представляющие собой ряды вертикально стоящих каменных плит, к каждой из которых примыкает ямка с остатками жертвенной пищи; и 2) поселения с чётко выраженным культурным слоем.
Пестрота погребальных памятников и отразившихся в них обрядов объяснялась исследователями хронологическим разрывом (Теплоухов 1929: 50), различием социального статуса погребённых (Сосновский 1933: 40; Киселёв 1951: 474), разноэтничностью населения данного региона в «таштыкскую эпоху» (Кызласов 1960: 72). Тем не менее, известные сходства в инвентаре и его датировке заставили исследователей рассматривать все отмеченные категории памятников как проявления одной археологической культуры. Вот почему термин «таштыкская эпоха», осторожно применённый Киселёвым (Киселев 1951) и Кызласовым (Кызласов 1960), постепенно был вытеснен термином «таштыкская культура» (Арцихов- ский 1954: 132; Липский 1956: Э; Вадецкая 1971; Вадецкая 1986; Грязнов 1971; Грязнов 1977; Грязнов 1980; Алексеев 1973: 220; Кызласов 1975: 46; Авдусин 1967: 162).
Получившаяся археологическая совокупность выделена по чисто территориальному критерию (локализация преимущественно в пределах Минусинской котловины) с некоторым общим учётом хронологии (гунно-сарматское время), и неизвестно, совпадали ли территориальные и хронологические границы некой культурной группы с этими пределами. Выбор критериев классификации керамики произволен: в одних случаях за основу взяты несущественные детали форм (как отмечалось в разделе 3 гл. I), в других — слишком общие морфологические признаки (Грязнов 1971: 96, рис. 1). Эта произвольность предопределила итоги классификаций глиняной посуды — единственного массового материала: безразличное распределение выделенных «типов» по категориям памятников поддерживало идею о единстве, однокультурности последних. Исследователям не приходило в голову подозревать, что безразличие было всего лишь следствием произвольности, случайности критериев, не угодивших на культурноразличительные особенности материала.
Новые данные, полученные в результате работ Красноярской экспедиции Института Археологии АН СССР, настоятельно требуют объяснения. Почему, например, «в больших склепах часто оказываются фаланги (находимые в сочленении), т.е. отрезанная плюсневая часть ноги коня или барана, а в малых склепах — пяточные и таранные кости быка, также в сочленении, т.е. вырезанная из ноги быка пятка» — другая часть ноги другого животного? (см.: Грязнов 1972: 27). Если это различие в отборе видов и частей жертвенных животных отражает реальные различия в идеологии енисейских племен «таштыкской эпохи», то эти последние различия могли каким-то образом проявиться и в других категориях инвентаря. Выявление этих различий дало бы возможность распределить известные памятники по отдельным культурным комплексам.
Здесь представлена попытка решить поставленную задачу с помощью классификационных процедур. Рассматриваемый материал — таштыкская глиняная посуда из раскопок Красноярской экспедиции — представляет основные виды памятников: поселение Унюк в устье р. Сыды, грунтовые могилы на увале «Мысок» близ дер. Аешка и у бывшей дер. Новая Чёрная, а также могильник у горы Тепсей, включающий большие и малые склепы, детские могилы и поминальники. [1]
2. Методологические предпосылки. Для правильного выбора критериев классификации необходимо уяснить, какого рода сходства и различия в материале могут выявиться в ходе анализа. Применительно к глиняной посуде можно выделить три группы факторов, определяющих сходство и различие:
а) функционально-конструктивные, отражающие различие формы сосудов в зависимости от их назначения и сходство сосудов одного назначения; могут допускать вариации в достаточно широких пределах;
б) социоструктурные (семантические, «престижные»), отражающие действие социальной нормы, выработанной данным обществом, данной группой, в оппозиции к нормам иных обществ, иных групп (Виноградов 1979: 94); этот ряд факторов как правило не затрагивает признаков функционально значимых, иногда может касаться сферы тради- ционной технологии и более всего влияет на признаки, не несущие утилитарной, функциональной нагрузки;
в) технологические, действующие в процессе производства изделий — от момента формирования образа будущего сосуда в сознании мастера на основе выработанной обществом социальной нормы и до получения готового изделия; они зависят от индивидуального уровня сенсомоторного развития мастера и определяют вариабельность любой серии стереотипных изделий (Виноградов 1983: 100).
Можно предполагать, что в разных археологических культурах мы найдём наборы глиняной посуды, испытавшие практически одинаковое воздействие факторов вариабельности группы «в»; найдем комплекты функциональных категорий, определяемые факторами группы «а», которые могут совпадать в разных культурах; и лишь факторы группы «б» определяют рамки вариабельности признаков, принципиально разные в разных культурах.
Чтобы выявить закономерности отбора материала живой культуры её носителями для включения в тот или иной обряд, необходимо ограничить круг рассматриваемого археологического материала рамками одной морфологической категории. Ведь мы не знаем ни конкретных закономерностей связи формы таштыкских сосудов с их назначением, ни возможностей взаимозаменяемости сосудов, конструктивно различных по форме.
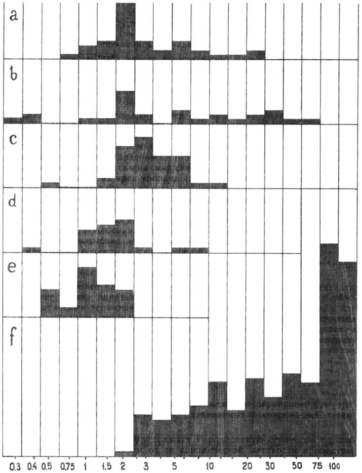
Удобнее всего для анализа сосуды баночной формы: они наиболее многочисленны и встречаются во всех категориях таштыкских памятников. Для установления возможных функциональных различий в генеральной совокупности есть смысл провести её анализ по заведомо значимому признаку функционального назначения — вместимости сосуда.
|
Рис. 31а. Соотношение основных показателей формы таштыкских баночных сосудов из склепов: больших (сплошная линия) и малых (штриховая линия). |
Рис. 31b. Соотношение основных показателей формы таштыкских баночных сосудов из поминальников у горы Тепсей. |

сификации таштыкских орнаментов (Кызласов 1960: 57-67), построенной в духе типологического метода Городцова (Городцов 1927). Как показывают гистограммы распределения типов орнаментации (рис. 32), всего 2 из 19 типов являются общими для сосудов из больших и из малых склепов: тип 11 (овально-ямочный) и тип 18 (линейный резной) — орнаменты весьма простые, широко распространённые у разных народов в разные исторические эпохи.
Теперь, когда достаточно чётко вырисовывается дискретное различие керамической посуды больших и малых склепов, нужно решить вопрос об отношении к ним комплекса глиняной посуды из поминальников. Прежде исследователи устанавливали связь между этими памятниками, исходя либо из дистрибутивных соображений (Грязнов 1971а: 203), либо из хронологических (Кызласов 1975: 40-41). Для решения вопроса средствами типологии достаточно на исходные схемы (рис. 31а) наложить характеристики рассматриваемого комплекса (рис. 31b). Оказалось, что глиняная посуда всех поминальников практически идентична посуде из больших (и только больших) склепов!
6. Выводы. Итак, вырисовывается облик погребального комплекса таштыкской культуры у горы Тепсей: это два больших родовых склепа, содержащие останки многих десятков взрослых людей; к этим склепам примыкают детские грунтовые могилы и многочисленные поминальники с остатками жертвенной пищи для погребённых в склепах. Малые склепы представляют совершенно особое культурное явление. Люди, погребённые в них, хотя и переживали сложный период перестройки традиционных форм культуры (что нашло отражение, например, в неустойчивости погребального обряда), однако находились в отношениях социопсихологической оппозиции к носителям таштыкской культуры больших склепов. Возможно, они жили в данном регионе в иное (хотя и весьма близкое время. Но если, согласно мнению Грязнова (Грязнов 1971: 96), памятники у горы Тепсей синхронны, необходимо будет признать сосуществование в одном регионе двух различных по культуре и, возможно, разноэтничных социальных общностей, во многих отношениях близких, но находящихся в положении взаимного противостояния. Контакт между носителями этих двух культурных общностей так же очевиден, как и их противопоставление. Что касается таких категорий памятников, как поселения и грунтовые могилы, то пока ещё недостаточно материалов для решения типологическим путём вопроса об их культурной принадлежности. Лишь в первом приближении можно судить, что поселение Унюк по облику глиняной посуды ближе к таштыкской культуре больших склепов, а грунтовые могилы — к культуре малых склепов.